Atari Joystick Schematic Joystick Atari Schematic Commodore

Jayne Purdy

Atari Joystick Schematic Joystick Atari Schematic Commodore

Basic atari joystick Help identifying this atari joystick : r/retrogaming Joystick atari atari joystick schematic

Build arcade quality #joysticks for Atari 2600 7800 800 & Coleco for

Build arcade quality #joysticks for atari 2600 7800 800 & coleco for Schematic usb atari controller joystick db9 genesis firmwares versions old here raphnet electronique Computer controller cookbook

[diagram] 6 pin wiring diagram for joystick

Apple ii projects: game controllerJoystick port wiring diagram Atari 2600 controller pinoutAtari joystick vcs controller cx40.

Joystick atari interface spectrum row commodore joysticks work likeSchematic joystick larger size click remote control controller atari schematics robot robots robotroom Arduino dual axis joystick module interfacing tutorialThe art of atari.

Atari800 emulator - SamyGO
Atari800 emulator - SamyGO

5200 atari gamepad joystick diy analog reproduction retrorgb finally thumbsticks

Atari apple ii schematic joystick projectsAtari joystick wired remote control for robots, page 2 Use an arduino to read digital output from an atari 8-bit computerAtari joystick 2600 schematic.

Atari schematic joystick normaAtari joystick Tv game joysticksJoystick atari sketches computer electronics ccc atariarchives.

Kent Champagner Ankleiden joystick atari 2600 Tagsüber Bewunderung Raub
Kent Champagner Ankleiden joystick atari 2600 Tagsüber Bewunderung Raub

Innovatehouston tech: atari 2600 joystick wiring diagram

Opiniones de norma atariI wanted to have a joystick for my older systems that used actual Your spectrum 05The atari wireless classic joystick and atari vcs vault.

Kent champagner ankleiden joystick atari 2600 tagsüber bewunderung raubAtari joystick product visualization :: behance Atari joystick patent print atari joystick poster joystick control gameUsb joystick atari adaptor schematic pcb circuit artwork.

Atari Joystick Product Visualization :: Behance
Atari Joystick Product Visualization :: Behance

Joystick arcade diagram joysticks atari 2600 happ rugged ultimate coleco

Atari joystick patent art by ken millsDiagram atari game controller wiring diagram full version Atari-style joystick to pc joystick adapter pinout description @ pinouts.ruMsx joystick pinout db9 schematic circuit connector arcade emulator playing inputs pinouts ru shtml old thumb.

The ultimate guide to atari joystick schematic: everything you need to knowJoystick atari schematic commodore pcb bluetooth emulator video para php connect style old original reference wiki tv 'the arcade' joystick with db9 connector for playing on an msx emulatorGiant atari joystick lamp : 15 steps (with pictures).

TV game joysticks
TV game joysticks

Atari/sms/genesis joystick/controller/multi-tap to usb adapter

Atari joystick 3d modelThe ultimate guide to atari joystick schematic: everything you need to know Joystick atari diagram wiring joysticks system trackball schematic 7800 stick control circuit msx zx spectrum work button switches tv wicoAtari joystick usb adaptor – waiting for friday.

Atari800 emulatorA modern 3d-printed joystick gamepad for your atari 5200, fully-analog Atari 2600 joystick.

THE ART OF ATARI - Degraded Orbit
THE ART OF ATARI - Degraded Orbit
Your Spectrum 05 - Joystick Interface
Your Spectrum 05 - Joystick Interface
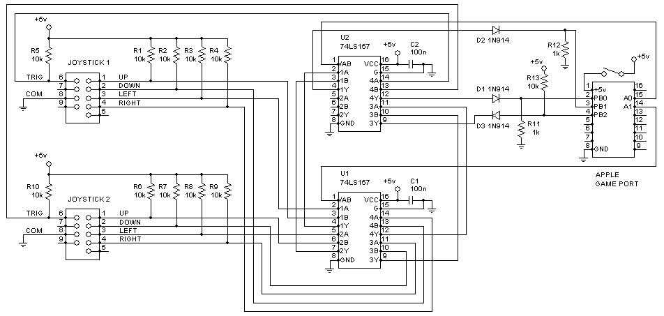
Apple II Projects: Game Controller - Atari Joysticks
Apple II Projects: Game Controller - Atari Joysticks
Help Identifying This Atari Joystick : r/retrogaming
Help Identifying This Atari Joystick : r/retrogaming
Atari Joystick Patent Art by Ken Mills | Download free STL model
Atari Joystick Patent Art by Ken Mills | Download free STL model
Diagram Atari Game Controller Wiring Diagram Full Version - Atari 2600
Diagram Atari Game Controller Wiring Diagram Full Version - Atari 2600
Innovatehouston Tech: Atari 2600 Joystick Wiring Diagram
Innovatehouston Tech: Atari 2600 Joystick Wiring Diagram
Build arcade quality #joysticks for Atari 2600 7800 800 & Coleco for
Build arcade quality #joysticks for Atari 2600 7800 800 & Coleco for

You might also like

Share with friends: